MULTI-SHAFT SYSTEMS

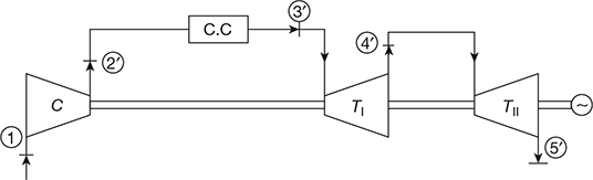
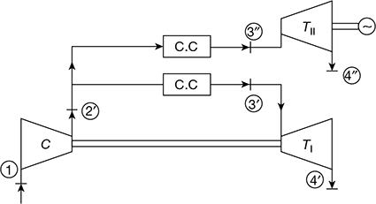
It is possible to use two turbines in parallel by using a single compressor and a single combustion chamber. The arrangement for such a system is shown in Fig. 16.34. For 1 kg of air through the compressor, a certain fraction x is required to pass through turbine I in order to drive the compressor. Then (1 − x) kg passes through turbine II to produce the power output. This is advantageous in that the speed of the compressor would not be affected by the load. A further advantage in this respect can be had by the use of two combustion chambers as shown in Fig. 16.35.

In such an arrangement, the inlet temperatures of the two turbines, as well as their speeds, are separately controllable.

images

Figure 16.34 Two turbine in parallel

images

Figure 16.35 Two turbines of parallel with two combustion chambers

images

Figure 16.36 Two turbines in series


Posted

in

by

Tags:

Comments

Leave a Reply

Your email address will not be published. Required fields are marked *